1. Reasonable product structure, reliable sealing, excellent performance and beautiful appearance;
2, the surface welding Co base hard alloy, wear resistance, corrosion resistance, abrasion resistance, long service life;
3. Internal pin shaft structure reduces external leakage and ensures reliable use;
4. When the pressure is Class1500LB, the valve cavity adopts self-tightening sealing chair.
The higher the medium pressure is, the better the sealing performance is.
5. The material, flange and butt welding end size of the parts can be reasonably selected according to the actual working conditions or user requirements to meet various engineering needs.
Design specification :API6D, BS1868
Structure length: ASME B16.10
Connection flange: ASME B16.5
Test and Inspection: API598
Pressure-temperature: ASME B16.34
Nominal size: NPS 2"~30"
Pressure range: 150~2500Lb
Operating temperature: ≤600℃
Main material: WCB, WC1, WC6, WC9, etc
Suitable medium: water, steam, oil, nitric acid, acetic acid, strong oxidation, medium, urea
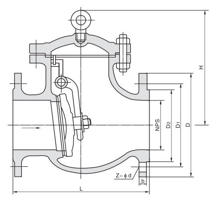
Product Dimensions
| NPS | DN | Class 150Lb/300Lb/600Lb | WT(Kg) | ||||||
| in | mm | L | D | Di | D2 | b | Z-фd | H | |
| 2" | 50 | 203 | 157 | 120.7 | 92 | 19.50 | 4-ф19 | 161 | 17 |
| 2½" | 65 | 216 | 178 | 139.7 | 105 | 22.5 | 4-ф19 | 180 | 23 |
| 3" | 80 | 241 | 190.5 | 152.4 | 127 | 24 | 4-ф19 | 190 | 33 |
| 4" | 100 | 292 | 229 | 190.50 | 157.2 | 24 | 8-ф19 | 220 | 44 |
| 6" | 150 | 356 | 279 | 241.5 | 216 | 25.5 | 8-ф22.5 | 257 | 78 |
| 8" | 200 | 495 | 343 | 298.5 | 270 | 29 | 8-ф22.5 | 292 | 137 |
| 10" | 250 | 622 | 406 | 362 | 324 | 30.5 | 12-ф25 | 350 | 207 |
| 12" | 300 | 698 | 483 | 432 | 381 | 32 | 12-ф25 | 398 | 279 |
| 14" | 350 | 787 | 533 | 476.8 | 413 | 35 | 12-ф29 | 445 | 387 |
| 16" | 400 | 864 | 597 | 539.8 | 470 | 37 | 16-ф29 | 490 | 446 |
| 18" | 450 | 978 | 635 | 577.8 | 533 | 40 | 16-ф32 | 520 | 621 |
| 20" | 500 | 978 | 698 | 635 | 584 | 43 | 20-ф32 | 546 | 770 |
| 24" | 600 | 1295 | 813 | 749.3 | 692 | 48 | 20-ф35 | 880 | 970 |
| 2" | 50 | 267 | 165 | 127 | 92 | 22.5 | 8-ф19 | 179.5 | 20 |
| 2½" | 65 | 292 | 190 | 150 | 105 | 25 | 8-ф22 | 190 | 24 |
| 3" | 80 | 318 | 210 | 168 | 127 | 29.0 | 8-ф22.5 | 212.4 | 40 |
| 4" | 100 | 356 | 254 | 200 | 157 | 32.0 | 8-ф22.5 | 246 | 51 |
| 6" | 150 | 445 | 317.5 | 269.7 | 216 | 37.0 | 12-ф22.5 | 292 | 90 |
| 8" | 200 | 533 | 381 | 330 | 270 | 41.5 | 12-ф25.5 | 328 | 175 |
| 10" | 250 | 622 | 444.5 | 387 | 324 | 48.0 | 16-ф28.5 | 378.6 | 210 |
| 12" | 300 | 711 | 521 | 451 | 381 | 51.0 | 16-ф32 | 420 | 286 |
| 14" | 350 | 838 | 584 | 514 | 54 | 54 | 20-ф32 | 470 | 400 |
| 16" | 400 | 864 | 648 | 572 | 57 | 57 | 20-ф35 | 530 | 550 |
| 18" | 450 | 978 | 711 | 629 | 60 | 60 | 24-ф35 | 584 | 700 |
| 20" | 500 | 1016 | 775 | 686 | 64 | 64 | 24-ф35 | 610 | 860 |
| 24" | 600 | 1346 | 914 | 813 | 70 | 70 | 24-ф41 | 860 | 1931 |
| 2" | 50 | 292 | 165 | 127 | 92 | 25 | 8-ф19 | 203 | 34 |
| 2½" | 65 | 330 | 190 | 150 | 105 | 29 | 8-ф22 | 229 | 45 |
| 3" | 80 | 356 | 210 | 168 | 127 | 32 | 8-ф22 | 235 | 63 |
| 4" | 100 | 432 | 273 | 216 | 157 | 38 | 8-ф25 | 286 | 114 |
| 6" | 150 | 559 | 356 | 292 | 216 | 48 | 8-ф29 | 330 | 207 |
| 8" | 200 | 660 | 419 | 349 | 270 | 56 | 12-ф29 | 381 | 387 |
| 10" | 250 | 787 | 508 | 432 | 324 | 64 | 12-ф32 | 457 | 580 |
| 12" | 300 | 838 | 559 | 489 | 381 | 67 | 16-ф35 | 584 | 778 |
| 14" | 350 | 889 | 603 | 527 | 413 | 70 | 20-ф38 | 635 | 9869 |
| 16" | 400 | 991 | 686 | 603 | 470 | 76 | 20-ф41 | 684 | 1380 |