Structural features
1. Reasonable product structure, reliable sealing, excellent performance and beautiful appearance;
2, according to the requirements of pipeline working conditions, designed into a variety of circulation forms (such as L-type, T-type, etc.), a variety of materials (such as cast iron, cast steel, stainless steel), a variety of sealing forms (such as hard seal, sleeve seal, oil seal, etc.) three-way, four-way plug valve.
3. The material and flange size of the parts can be reasonably selected according to the actual working conditions or user requirements to meet various engineering needs.
Technical specifications
| Structural formation | BB-BG |
| Driving maner | 手柄,蝸輪蝸桿傳動,氣動,電動 Wrench.worm & worm gear pneumatic.electric-actuated |
| Design standard | AP1599、AP16D、GB12240 |
| Face to face | ASMEB16.10. GB12221. DIN3202 |
| Flange ends | ASMEB16.5, JB79、GB9113. DIN2543-2545 |
| Test & inspection | AP159& AP16D、GB13927、DIN3230 |
Product performance specification
| (LB) Nominal pressure | (MPa) Shell test | (MPa) Sealing test | (MPa) Nominal pressure | (MPa) Shell test | (MPa) Sealing test | |
| 150 | 3.0 | 2.2 | 1.6 | 2.4 | 1.76 | |
| 2.5 | 3.75 | 2.75 | ||||
| 300 | 7.5 | 5.5 | ||||
| 4.0 | 6.0 | 4.4 | ||||
| 600 | 15.0 | 11.0 | 6.4 | 9.6 | 7.04 | |
| 10.0 | 15.0 | 11.0 | ||||
| 900 | 22.5 | 16.5 | ||||
| 16.0 | 24.0 | 17.6 |
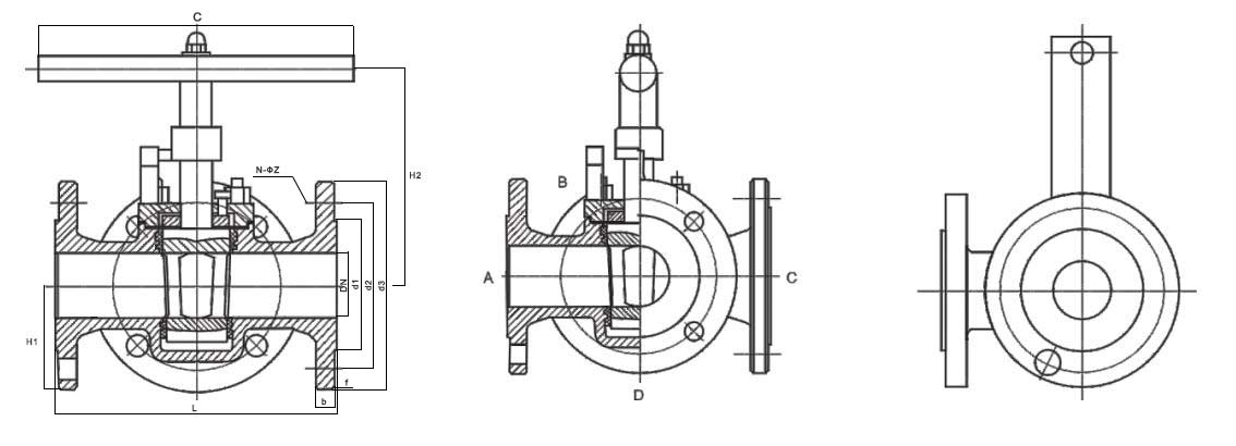
Product size

| DN | L | d1 | d2 | d3 | b | f | H1 | H2 | c | N-ФZ |
| 150Lb | ||||||||||
| 1/2 | 108 | 35 | 60.5 | 89 | 11 | 2 | 68 | 150 | 300 | 4-15 |
| 3/4 | 117 | 43 | 70 | 98 | 11 | 2 | 73 | 155 | 300 | 4-15 |
| 1 | 127 | 51 | 79.5 | 108 | 12 | 2 | 80 | 160 | 300 | 4-15 |
| 1¼ | 140 | 64 | 89 | 117 | 13 | 2 | 85 | 180 | 350 | 4-15 |
| 1½ | 165 | 73 | 98.5 | 127 | 15 | 2 | 95 | 190 | 400 | 4-15 |
| 2 | 178 | 92 | 120.5 | 152 | 16 | 2 | 110 | 200 | 500 | 4-19 |
| 2½ | 190 | 105 | 139.5 | 178 | 18 | 2 | 125 | 220 | 500 | 4-19 |
| 3 | 203 | 127 | 152.5 | 190 | 19 | 2 | 130 | 230 | 500 | 4-19 |
| 4 | 229 | 157 | 190.5 | 229 | 24 | 2 | 155 | 380 | / | 8-19 |
| 5 | 254 | 186 | 216 | 254 | 24 | 2 | 175 | 460 | / | 8-22 |
| 6 | 267 | 216 | 241.5 | 279 | 26 | 2 | 185 | 520 | / | 8-22 |
| 8 | 292 | 270 | 298.5 | 343 | 29 | 2 | 225 | 580 | / | 8-22 |
| 10 | 330 | 324 | 362 | 406 | 31 | 2 | 260 | 620 | / | 12-25 |
| 12 | 356 | 381 | 432 | 483 | 32 | 2 | 300 | 680 | / | 12-25 |
| 300Lb | ||||||||||
| 1/2 | 140 | 35 | 66.5 | 95 | 15 | 2 | 75 | 150 | 300 | 4-15 |
| 3/4 | 152 | 43 | 82.5 | 117 | 16 | 2 | 91 | 155 | 300 | 4-19 |
| 1 | 165 | 51 | 89 | 124 | 18 | 2 | 95 | 160 | 300 | 4-19 |
| 1¼ | 178 | 64 | 98.5 | 133 | 19 | 2 | 100 | 180 | 350 | 4-19 |
| 1½ | 190 | 73 | 114.5 | 156 | 21 | 2 | 120 | 190 | 400 | 4-22 |
| 2 | 216 | 92 | 127 | 165 | 23 | 2 | 125 | 200 | 500 | 8-19 |
| 2½ | 241 | 105 | 149 | 190 | 26 | 2 | 140 | 220 | 500 | 8-22 |
| 3 | 283 | 127 | 168.5 | 210 | 29 | 2 | 155 | 230 | 500 | 8-22 |
| 4 | 305 | 157 | 200 | 254 | 32 | 2 | 185 | 380 | / | 8-22 |
| 5 | 381 | 186 | 235 | 279 | 35 | 2 | 200 | 460 | / | 8-22 |
| 6 | 403 | 216 | 270 | 318 | 37 | 2 | 220 | 520 | / | 12-22 |
| 8 | 419 | 270 | 330 | 381 | 42 | 2 | 257 | 580 | / | 12-25 |
| 10 | 457 | 324 | 387.5 | 445 | 48 | 2 | 300 | 620 | / | 16-25 |
| 12 | 502 | 381 | 451 | 521 | 51 | 2 | 340 | 680 | / | 16-25 |
| 600Lb | ||||||||||
| 1/2 | 165 | 35 | 66.5 | 95 | 22 | 7 | 82 | 150 | 300 | 4-15 |
| 3/4 | 190 | 43 | 82.5 | 118 | 23 | 7 | 98 | 155 | 300 | 4-19 |
| 1 | 216 | 51 | 89 | 124 | 25 | 7 | 102 | 160 | 300 | 4-19 |
| 1¼ | 229 | 64 | 98.5 | 133 | 28 | 7 | 108 | 180 | 350 | 4-19 |
| 1½ | 241 | 73 | 114.5 | 156 | 30 | 7 | 128 | 190 | 400 | 4-22 |
| 2 | 292 | 92 | 127 | 165 | 33 | 7 | 135 | 200 | 500 | 8-19 |
| 2½ | 330 | 105 | 149 | 190 | 36 | 7 | 155 | 220 | 500 | 8-22 |
| 3 | 356 | 127 | 168 | 210 | 39 | 7 | 165 | 230 | 500 | 8-22 |
| 4 | 432 | 157 | 216 | 273 | 45 | 7 | 208 | 380 | / | 8-25 |
| 5 | 508 | 186 | 266.5 | 330 | 52 | 7 | 245 | 460 | / | 8-29 |
| 6 | 559 | 216 | 292 | 356 | 55 | 7 | 265 | 520 | / | 12-29 |
| 8 | 660 | 270 | 349 | 419 | 63 | 7 | 300 | 580 | / | 12-32 |
| 10 | 787 | 324 | 432 | 508 | 71 | 7 | 355 | 620 | / | 16-35 |
| 12 | 838 | 381 | 489 | 559 | 74 | 7 | 390 | 680 | / | 20-35 |