Structural features
1. It has the advantages of simple structure, small volume, light weight, low cost and wide application range;
2. The structure of the butterfly valve eliminates the defect that other types of butterfly valves can not be sealed due to over opening, and can be used normally at high temperature, which overcomes the defect of easy leakage due to thermal expansion when using at high temperature;
3. According to the requirements of service medium, the butterfly valve selects different sealing surface materials to ensure that the sealing surface is wear-resistant, erosion resistant and has a long service life.
Executive Standards
Design and Manufacture: API609
Structure length: ASME B16.10
Flange connection: ASME B16.5, ASME 16.47
Test and verify: API 598
Performance parameter
Nominal size: NPS 2"~40"
Nominal pressure: CLASS 150~600Lb
Applicable temperature: -29~425℃
Applicable medium: water, steam, oil, sea water, etc
Main material: WCB;CF8;CF8M;CF3;CF3M
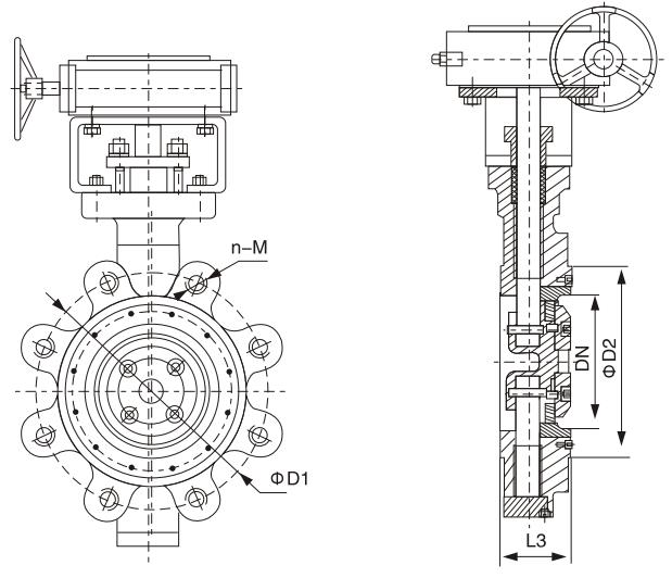
Product size
|
DN
|
150Lb
|
|
In
|
mm
|
L
|
L1
|
L2
|
L3
|
D
|
D1
|
D2
|
C
|
H
|
N-d
|
|
3
|
80
|
114
|
48
|
180
|
48
|
190
|
152.4
|
127
|
24.3
|
310
|
4-19
|
|
4
|
100
|
127
|
54
|
190
|
54
|
230
|
190.5
|
157
|
24.3
|
325
|
8-19
|
|
5
|
125
|
140
|
56
|
200
|
56
|
255
|
215.9
|
186
|
24.3
|
360
|
8-22
|
|
6
|
150
|
140
|
57
|
210
|
57
|
280
|
241.3
|
216
|
26.9
|
395
|
8-22
|
|
8
|
200
|
152
|
64
|
230
|
64
|
345
|
298.5
|
270
|
29
|
480
|
8-22
|
|
10
|
250
|
165
|
71
|
250
|
71
|
405
|
362.0
|
324
|
30.6
|
550
|
12-26
|
|
12
|
300
|
178
|
81
|
270
|
81
|
485
|
431.8
|
381
|
32.2
|
610
|
12-26
|
|
14
|
350
|
190
|
92
|
290
|
92
|
535
|
476.3
|
413
|
35.4
|
710
|
12-29
|
|
16
|
400
|
216
|
102
|
310
|
102
|
595
|
539.8
|
470
|
37
|
755
|
16-29
|
|
18
|
450
|
222
|
114
|
330
|
114
|
635
|
577.9
|
533
|
40.1
|
835
|
16-32
|
|
20
|
500
|
229
|
127
|
350
|
127
|
700
|
635.0
|
584
|
43.3
|
900
|
20-32
|
|
24
|
600
|
267
|
154
|
390
|
154
|
815
|
749.3
|
692
|
48.1
|
1060
|
20-35
|
|
28
|
700
|
292
|
165
|
430
|
165
|
925
|
863.6
|
800
|
71.9
|
1170
|
28-35
|
|
32
|
800
|
318
|
190
|
470
|
190
|
1060
|
977.9
|
914
|
81.4
|
1320
|
28-41
|
|
36
|
900
|
330
|
203
|
510
|
203
|
1170
|
1085.8
|
1022
|
90.9
|
1440
|
32-41
|
|
40
|
1000
|
410
|
216
|
550
|
216
|
1290
|
1200.2
|
1124
|
90.9
|
1640
|
36-41
|
|
48
|
1200
|
470
|
254
|
630
|
254
|
1510
|
1422.4
|
1359
|
108.4
|
1850
|
44-41
|
|
56
|
1400
|
530
|
390
|
710
|
390
|
1745
|
1651.0
|
1575
|
124.3
|
2040
|
48-48
|
|
DN
|
300Lb
|
|
In
|
mm
|
L
|
L1
|
L2
|
L3
|
D
|
D1
|
D2
|
C
|
H
|
N-d
|
|
3
|
80
|
180
|
48
|
180
|
48
|
210
|
168.3
|
127
|
29
|
310
|
8-22
|
|
4
|
100
|
190
|
54
|
190
|
54
|
255
|
200.0
|
157
|
32.2
|
325
|
8-22
|
|
5
|
125
|
200
|
56
|
200
|
56
|
280
|
235.0
|
186
|
35.4
|
360
|
8-22
|
|
6
|
150
|
210
|
59
|
210
|
59
|
320
|
269.9
|
216
|
37
|
430
|
12-22
|
|
8
|
200
|
230
|
73
|
230
|
73
|
380
|
330.2
|
270
|
41.7
|
535
|
12-26
|
|
10
|
250
|
250
|
83
|
250
|
83
|
445
|
387.4
|
324
|
48.1
|
695
|
16-29
|
|
12
|
300
|
270
|
92
|
270
|
92
|
520
|
450.8
|
381
|
51.3
|
805
|
16-32
|
|
14
|
350
|
290
|
117
|
290
|
117
|
585
|
514.4
|
413
|
54.4
|
880
|
20-32
|
|
16
|
400
|
310
|
133
|
310
|
133
|
650
|
571.5
|
470
|
57.6
|
930
|
20-35
|
|
18
|
450
|
330
|
149
|
330
|
149
|
710
|
628.6
|
533
|
60.8
|
990
|
24-35
|
|
20
|
500
|
350
|
159
|
350
|
159
|
775
|
685.8
|
584
|
64
|
1050
|
24-35
|
|
24
|
600
|
390
|
181
|
390
|
181
|
915
|
812.8
|
692
|
70.3
|
1230
|
24-41
|
|
DN
|
600Lb
|
|
In
|
mm
|
L
|
L1
|
L2
|
L3
|
D
|
D1
|
D2
|
C
|
H
|
N-d
|
|
6
|
150
|
210
|
78
|
210
|
78
|
355
|
292.1
|
216
|
54.7
|
425
|
12-29
|
|
8
|
200
|
230
|
102
|
230
|
102
|
420
|
349.2
|
270
|
62.6
|
640
|
12-32
|
|
10
|
250
|
250
|
117
|
250
|
117
|
510
|
431.8
|
324
|
70.5
|
745
|
16-35
|
|
12
|
300
|
270
|
140
|
270
|
140
|
560
|
489
|
381
|
73.7
|
820
|
20-35
|
|
14
|
350
|
290
|
155
|
290
|
155
|
605
|
527
|
413
|
76.9
|
935
|
20-38
|
|
16
|
400
|
310
|
178
|
310
|
178
|
685
|
603.2
|
470
|
83.2
|
975
|
20-41
|
|
18
|
450
|
330
|
200
|
330
|
200
|
745
|
654
|
533
|
89.6
|
1110
|
20-45
|
|
20
|
500
|
350
|
216
|
350
|
216
|
815
|
723.9
|
584
|
95.9
|
1215
|
24-45
|
|
24
|
600
|
390
|
232
|
390
|
232
|
940
|
838.2
|
692
|
108.6
|
1300
|
24-51
|
|
DN
|
900Lb
|
|
In
|
mm
|
L
|
L1
|
L2
|
L3
|
D
|
D1
|
D2
|
C
|
H
|
N-d
|
|
6
|
150
|
225
|
104
|
225
|
104
|
380
|
317.5
|
216
|
62.6
|
525
|
12-32
|
|
8
|
200
|
275
|
112
|
275
|
112
|
470
|
393.7
|
270
|
70.5
|
660
|
12-38
|
|
10
|
250
|
325
|
135
|
325
|
135
|
545
|
469.9
|
324
|
76.9
|
735
|
16-39
|
|
12
|
300
|
375
|
170
|
375
|
170
|
610
|
533.4
|
381
|
86.4
|
820
|
20-39
|
|
14
|
350
|
425
|
173
|
425
|
173
|
640
|
558.8
|
413
|
92.8
|
870
|
20-41
|
|
16
|
400
|
475
|
210
|
475
|
210
|
705
|
616
|
470
|
95.9
|
965
|
20-45
|
|
18
|
450
|
500
|
228
|
500
|
228
|
785
|
685.8
|
533
|
108.6
|
1050
|
20-51
|
|
20
|
500
|
575
|
250
|
575
|
250
|
855
|
749.3
|
584
|
115
|
1175
|
20-54
|
|
24
|
600
|
675
|
275
|
675
|
275
|
1040
|
901.7
|
692
|
146.7
|
1330
|
20-67
|
|
DN
|
1500Lb
|
|
In
|
mm
|
L
|
L1
|
L2
|
L3
|
D
|
D1
|
D2
|
C
|
H
|
N-d
|
|
6
|
150
|
350
|
160
|
350
|
160
|
395
|
317.5
|
216
|
89.6
|
550
|
12-38
|
|
8
|
200
|
400
|
180
|
400
|
180
|
485
|
393.7
|
270
|
99.1
|
690
|
12-45
|
|
10
|
250
|
450
|
200
|
450
|
200
|
585
|
482.6
|
324
|
115
|
780
|
12-50
|
|
12
|
300
|
500
|
230
|
500
|
230
|
675
|
571.5
|
381
|
130.9
|
905
|
16-54
|
|
14
|
350
|
550
|
250
|
550
|
250
|
750
|
635
|
413
|
140.4
|
990
|
16-60
|
|
16
|
400
|
600
|
265
|
600
|
265
|
825
|
704.8
|
470
|
153.1
|
1085
|
16-67
|
|
18
|
450
|
650
|
300
|
650
|
300
|
915
|
774.7
|
533
|
169
|
1180
|
16-73
|
|
20
|
500
|
700
|
340
|
700
|
340
|
985
|
831.8
|
584
|
184.8
|
1290
|
16-80
|
|
24
|
600
|
800
|
400
|
800
|
400
|
1170
|
990.6
|
692
|
210.2
|
1450
|
16-92
|